实验室及中试线解决方案服务商
国家级高新技术企业、创新型中小企业、科技型中小企业、规模以上工业企业

19842703026
产品详情

高真空互联物理气相薄膜沉积系统

服务热线 0755-89660376
联系人 王雨
联系方式 19842703026
公司邮箱 wangyu@vectorer.com.cn
公司地址 深圳市光明区光明街道碧眼社区华强创意公园1栋B座408
产品详情

概述:沉积系统可用于制备光学薄膜、电学薄膜、磁性薄膜、硬质保护薄膜和装饰薄膜等,工艺性能稳定、模块化结构,采用行业最好的软件控制系统;4英寸镀膜区域内片内膜厚不均匀性:≤±2.5%,8英寸镀膜区域内片内膜厚不均匀性:≤±3.5%,测定标准以Ti靶材,溅射200——500nm厚薄膜,边缘去5mm,随机5点取样测定为准。

样品托面中心到地面的高度约1360mm;

镀膜材料适用于:Au、Ag、Pt、W、Mo、Ta、Ti、Al、Si、Cu、Fe、Ni、氧化铝,氧化钛,氧化锆,ITO,AZO,氮化钽,氮化钛等;

PVD平台概述:既专注单一功能、又可通过拓展实现多平台联动:

1关键部件接口都为标准接口,可以通过更换功能单元实现电子束、电阻蒸发、有机蒸发、多靶或单靶磁控溅射、离子束、多弧、样品离子清洗等功能;

2系统平台为准无油系统,提供更优质的超洁净实验环境,保障实验结果的可靠性和重复性;

3系统可以选择单靶单样品、多靶单样品等多层沉积方式;

4靶基距具有腔外手动调节功能;

5系统设置一键式操作,可以实现自动手动切换、远程控制、远程协助等功能;

6控制软件分级权限管理,采用配方式自动工艺流程,提供开放式工艺编辑、存储与调取执行、历史数据分析等功能,可以不断更新和升级;

7可以提供网络和手机端查询控制功能(现场要具备局域网络),实现随时查询数据记录、分析统计等功能;

8节能环保,设备能耗优化后运行功率相比之前节能10%;;

9可用于标准镀膜产品小批量生产。

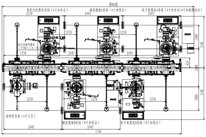
   互联系统技术描述

   真空互联系统由物理气相沉积磁控溅射系统A、物理气相沉积磁控溅射系统B、物理气相沉积电子束及热阻蒸发镀膜系统A、物理气相沉积电子束及热阻蒸发镀膜系统B、进样室、出样室、传输管、机械手等组成,可以实现样品在真空环境下不同工艺方法的样品薄膜制备和传递。


首页             关于我们                   自研产品                 合作案例                 中标案例                   联系我们
联系方式:19842703026       
公司邮箱:wangyu@vectorer.com.cn
公司地址:深圳市光明区凤凰街道塘尾社区恒泰裕大厦3栋3A-1801
扫码关注我们
联系我们
本网站中部分图片源自摄图网和网络,版权归作者所有,如有侵权,请联系我们删除。